-
Products
- Products Top
- New Products Infomation
- Selection Guide
- Product Catalogue
- Product Category
- Global Network
-
Technical
Information- Technical Information Top
-
How to use chip resistors smartly
- 1.Basic knowledge of resistors
- 2.Manufacturing methods and characteristics of thin film resistors
- 3.Performance characteristics of thin film resistors
- 4.High precision and high reliability
- 5.Trimmable chip resistors and altering resistive values
- 6.Application and recommended usage of thin film chip resistors
- 7.Application and recommended usage of small high power thin film ship resistors
- 8.Various methods of current sensing and advantage of current sensing resistors
- 9.Application and recommended usage of current sensing resistors
- Smart usage of High Frequency Chip Components
- Application Information
-
Product Technical Report
Standard Specification for surface mount chip resistors
- Recommended land patterns
- Recommended reflow and flow soldering profile
- Dimensions of the packaging reel
- Dimensions of the packaging tape
Standard Specification for High frequency surface mount components
- Recommended reflow soldering profile
- Dimensions of the packaging tape
- Dimensions of the packaging reel
-
Technical FAQ
High Precision Thin Film Chip Resistors
- ・Part numbering
- ・Performance characteristics
- ・Quality, reliability
- ・Mounting, packaging
Current sensing chip resistors
- ・Part numbering
- ・Performance characteristics
- ・Quality, reliability
- ・Mounting, packaging
- Company Profile
-
QC and Environmental
Activities
- HOME
- Technical Information
- Dimensions of the packaging tape
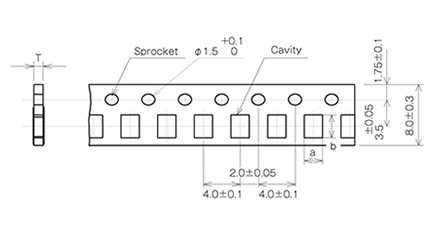
Dimensions of the packaging tape
For thin film chip resistor
| Tape dimensions (paper 2 mm pitch) |
| Types | a | b | T |
|---|---|---|---|
| RG0603/ RR0306/ RT0603 |
0.38±0.03 | 0.68±0.03 | 0.31+0.02 |
| RR/RT0510 | 0.63±0.05 | 1.13±0.05 | 0.43±0.05 |
| RG/RGT/NRG/ RS/RGA1005 |
0.63±0.05 | 1.13±0.05 | 0.43±0.05 |
| RL0510 | 0.63±0.05 | 1.13±0.05 | 0.43±0.05 |

| Tape dimensions (paper 4 mm pitch) |
| Types | a | b | T |
|---|---|---|---|
| RR/RT0816 | 1.1±0.1 | 1.9±0.1 | 0.6±0.05 |
| URG/RG/RGT NRG/RGA1608 |
1.1±0.1 | 1.9±0.1 | 0.6±0.05 |
| RL0816 | 1.1±0.1 | 1.9±0.1 | 0.6±0.05 |
| RR/RT1220 | 1.65±0.2 | 2.4±0.2 | 0.75±0.05 |
| URG/RG/RGT MRG/NRG/ RGA2012 |
1.65±0.2 | 2.4±0.2 | 0.75±0.05 |
| RL1220 | 1.65±0.2 | 2.4±0.2 | 0.75±0.05 |

| Tape dimension (embossed tape 4mm pitch) |

| Types | A | B | W | F | E | P0 | P1 | P2 | φD0 | φD1 | T | t |
|---|---|---|---|---|---|---|---|---|---|---|---|---|
| RM2012 | 1.6±0.2 | 2.4±0.2 | 8.0±0.3 | 3.5±0.05 | 1.75±0.1 | 4.0±0.1 | 4.0±0.1 | 2.0±0.05 | 1.55±0.05 | 1.05±0.05 | 1.0±0.1 | 0.3max |
| URG/RG/RGT RGV/NRG 3216 |
2.0±0.2 | 3.6±0.2 | 8.0±0.3 | 3.5±0.05 | 1.75±0.1 | 4.0±0.1 | 4.0±0.1 | 2.0±0.05 | 1.55±0.05 | 1.05±0.05 | 1.0±0.1 | 0.3max |
| PRG/HRG/MRG RM/RMA3216 |
2.0±0.2 | 3.6±0.2 | 8.0±0.3 | 3.5±0.05 | 1.75±0.1 | 4.0±0.1 | 4.0±0.1 | 2.0±0.05 | 1.55±0.05 | 1.05±0.05 | 1.0±0.1 | 0.3max |
| RGV/ RM/RMA 3225 |
2.8±0.1 | 3.5±0.1 | 8.0±0.3 | 3.5±0.05 | 1.75±0.1 | 4.0±0.1 | 4.0±0.1 | 2.0±0.05 | 1.55±0.05 | 1.1±0.1 | 1.0±0.1 | 0.3max |
| PRG 5025 |
2.8±0.1 | 5.3±0.1 | 12.0±0.2 | 5.5±0.05 | 1.75±0.1 | 4.0±0.1 | 4.0±0.1 | 2.0±0.05 | 1.55±0.05 | 1.1±0.1 | 1.0±0.1 | 0.3max |
| URG/MRG 5025 |
2.8±0.1 | 5.3±0.1 | 12.0±0.2 | 5.5±0.05 | 1.75±0.1 | 4.0±0.1 | 4.0±0.1 | 2.0±0.05 | 1.55±0.05 | 1.1±0.1 | 1.0±0.1 | 0.3max |
| PRG6432 /RM6432 |
3.5±0.2 | 6.9±0.2 | 12.0±0.2 | 5.5±0.05 | 1.75±0.1 | 4.0±0.1 | 4.0±0.1 | 2.0±0.05 | 1.55±0.05 | 1.50+0.1/-0 | 1.0±0.1 | 0.3max |
②For current sensing chip resistor
| Tape dimensions (embossed tape) |
○4mm pitch, 8mm pitch

| Types | A | B | W | F | E | P0 | P1 | P2 | φD0 | φD1 | T | t |
|---|---|---|---|---|---|---|---|---|---|---|---|---|
| KRL0816 /1608 YJP1608 |
0.95±0.05 | 1.85±0.05 | 8.0±0.1 | 3.5±0.05 | 1.75±0.1 | 4.0±0.1 | 4.0±0.1 | 2.0±0.05 | 1.5+0.1/-0 | 0.6±0.05 | 0.55±0.05 | 0.2±0.05 |
| KRL1220 /2012 |
1.45±0.05 | 2.3±0.1 | 8.0±0.2/-0 | 3.5±0.05 | 1.75±0.1 | 4.0±0.1 | 4.0±0.1 | 2.0±0.05 | 1.5+0.1/-0 | - | 0.65±0.1 | 0.2±0.05 |
| KRL1632 /3216 |
1.9±0.1 | 3.5±0.1 | 8.0±0.2 | 3.5±0.05 | 1.75±0.1 | 4.0±0.1 | 4.0±0.1 | 2.0±0.05 | 1.5+0.1/-0 | 1.0+0.2/-0 | 0.75±0.1 | 0.2±0.05 |
| KRL2550 /5025 |
2.9±0.2 | 5.3±0.2 | 12.0±0.3 | 5.5±0.05 | 1.75±0.1 | 4.0±0.1 | 4.0±0.1 | 2.0±0.05 | 1.5+0.1/-0 | 1.5+0.2/-0 | 1.5max | 0.3max |
| KRL3264/6432 KRL6432T4 |
3.43±0.2 | 6.63±0.2 | 12.0±0.3 | 5.5±0.05 | 1.75±0.1 | 4.0±0.1 | 4.0±0.1 | 2.0±0.05 | 1.5+0.1/-0 | 1.5+0.2/-0 | 0.76±0.1 | 0.2±0.05 |
| KRL7638 KRL7638T4 |
4.15±0.1 | 7.95±0.1 | 16.0±0.3 | 7.5±0.1 | 1.75±0.1 | 4.0±0.1 | 8.0±0.1 | 2.0±0.1 | 1.5±0.1 | 1.5±0.1 | 1.2±0.15 | 0.3±0.05 |
| KRL9045 KRL9045T4 |
4.85±0.1 | 9.35±0.1 | 16.0±0.3 | 7.5±0.1 | 1.75±0.1 | 4.0±0.1 | 8.0±0.1 | 2.0±0.1 | 1.5±0.1 | 1.5±0.1 | 1.2±0.15 | 0.3±0.05 |
| KRL50110 /11050 KRL11050T4 |
5.4±0.1 | 11.5±0.1 | 24.0±0.3 | 11.5±0.1 | 1.75±0.1 | 4.0±0.1 | 8.0±0.1 | 2.0±0.1 | 1.5±0.1 | 1.5±0.1 | 1.2±0.15 | 0.3±0.05 |
| Types | A | B | W | F | E | P0 | P1 | P2 | φD0 | φD1 | T | t |
|---|---|---|---|---|---|---|---|---|---|---|---|---|
| RL3720W | 2.6±0.2 | 4.45±0.2 | 12.0±0.2 | 5.5±0.05 | 1.75±0.1 | 4.0±0.1 | 4.0±0.1 | 2.0±0.05 | 1.55±0.05 | ー | 0.7±0.1 | 0.3±0.05 |
| RL7520W | 2.6±0.2 | 8.2±0.2 | 16.0±0.3 | 7.5±0.1 | 1.75±0.1 | 4.0±0.1 | 4.0±0.1 | 2.0±0.1 | 1.55±0.05 | ー | 0.7±0.1 | 0.3±0.05 |
Technical Information
-
- 1.Basic knowledge of resistors
- 2.Manufacturing methods and characteristics of thin film resistors
- 3.Performance characteristics of thin film resistors
- 4.High precision and high reliability
- 5.Trimmable chip resistors and altering resistive values
- 6.Application and recommended usage of thin film chip resistors
- 7.Application and recommended usage of small high power thin film ship resistors
- 8.Various methods of current sensing and advantage of current sensing resistors
- 9.Application and recommended usage of current sensing resistors
-
-
Standard Specification for surface mount chip resistors
- Recommended land patterns (soldering footprints)
- Recommended reflow and flow soldering profile
- Dimensions of the packaging reel
- Dimensions of the packaging tape
-
Standard Specification for surface mount chip resistors
-
- High Precision Thin Film Chip Resistors Current sensing chip resistors
Activity Contents
Technical Information
How to use chip resistors smartly
- 1.Basic knowledge of resistors
- 2.Manufacturing methods and characteristics of thin film resistors
- 3.Performance characteristics of thin film resistors
- 4.High precision and high reliability
- 5.Trimmable chip resistors and altering resistive values
- 6.Application and recommended usage of thin film chip resistors
- 7.Application and recommended usage of small high power thin film ship resistors
Standard Specification for surface mount chip resistors
- Recommended land patterns
- Recommended reflow and flow soldering profile
- Dimensions of the packaging reel
- Dimensions of the packaging tape
Standard Specification for High frequency surface mount components
Smart usage of High Frequency Chip Components
Susumu Deutschland GmbH